
Это далеко не весь перечень, но, как видите, чаще всего блок согласования требуется для автомобилей, выпущенных позднее 2005 года (кроме Volvo XC70 2000-2007 годов). Также смарт-коннектор устанавливается во внедорожники или кроссоверы. Например, блок согласования для фаркопа «Дастер» нужен обязательно, так как в нем установлена CAN-шина, которая как раз таки и отвечает за корректную работу всех систем.
Также смарт-коннектор может потребоваться если:
- В вашем автомобиле установлена мультиплексная проводка.
- В автомобиле есть устройство CAN BUS data.
- Автомобиль оснащен системой автоматической диагностики Check Control.
- ТСУ оборудовано системой SLF, сканирующей автомобиль на наличие перегоревших ламп.
- Освещение в машине установлено светодиодное.
Чтобы узнать наверняка, нужен ли вам дополнительный модуль, лучше всего уточнить эту информацию у автодилера или произвести несложный эксперимент с лампочкой. Однако если вы являетесь владельцем машины выпущенной до 2005 года, то вполне возможно вам также может потребоваться смарт-коннектор.
Почему блоки согласования монтируют в старые автомобили
Содержание статьи:
Установка блока согласования актуальна в следующих ситуациях:
- Если вы допускаете вероятность возникновения пожара. Дело в том, что при подключении дополнительных электрических приборов возникает риск скачков напряжения.
- Если вы планируете эксплуатировать фаркоп без прицепа, что также может привести к повреждению проводки и возгоранию предохранителей.
- Если на момент установки ТСУ и прицепа в электрических цепях авто уже имелись неполадки. В этом случае предохранитель перегорит моментально, а это чревато перегоревшими тормозными, габаритными и аварийными огнями.
- Если вы планируете буксировать не «родной» или взятый напрокат прицеп. В этом случае в нем может оказаться другая распиновка. При неправильном подключении вы рискуете потерять все автомобильные предохранители и свет.
Если вы убедились, что смарт коннектор вам все-таки необходим, то его можно приобрести на любом авторынке (универсальная модель для фаркопа обойдется порядка 3 300 рублей) или изготовить его самостоятельно. Если с покупкой все ясно (предпочтение стоит отдать БС от компании Bosal и Thule), то о самодельном модуле стоит поговорить поподробнее.
Делаем блок согласования своими руками
Смарт-коннектор – это довольно простое устройство, которое вполне может изготовить любой автолюбитель, смыслящий в электронике и умеющий паять.

Для этого потребуются:
- Плата (на нее в дальнейшем устанавливаются диоды и реле).
- 5 диодов (или столько, сколько вам потребуется).
- 5 реле (их количество должно совпадать с количеством реле).
- Коробка или любой корпус, в который будет установлено устройство.
Далее, можно приступить в непосредственной сборке коннектора:
- Монтируйте диоды на плату.
- Установите на нее реле.
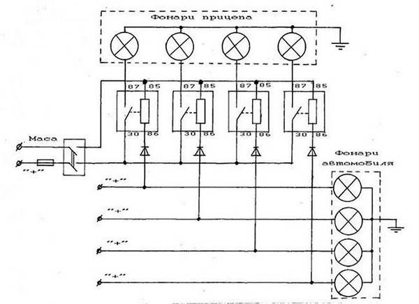
- Подсоедините кабели, используя схему, указанную ниже.
- Поместите готовый коннектор в корпус.
- Готово.

После этого остается только подсоединить блок согласования по обычной типовой схеме.

В заключении
Покупать блок согласования или самостоятельно его сделать – решать вам. Если вы уверены в своих силах, то нет никакого смысла переплачивать за довольно простое устройство. С другой стороны не все смыслят в электрике и есть риск произвести неправильные соединения, в этом случае лучше не мудрить и купить готовый комплект.