
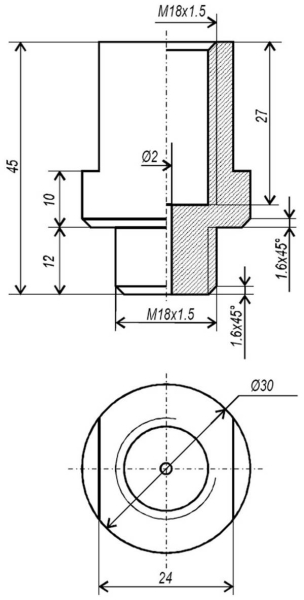
Делается обманка на обрабатывающем токарном станке. Если такового нет, то можно обратиться к специалисту, предоставив ему чертеж.

Полученная деталь совместима с большинством выхлопных систем как отечественных, так и зарубежных автомобилей.
Установка обманки лямбда зонда производится следующим образом:
- Поднимите авто на эстакаду.
- Отключите минусовую клемму на АКБ.
- Выкрутите первый (верхний) зонд (если их два, то снимите тот, который расположен между катализатором и выпускным коллектором).
- Вкрутите лямбда зонд в «проставку».
- Установите «усовершенствованный» датчик на место.
- Подключите клемму к аккумулятору.
Полезно! Обычно механическая обманка второго лямбда зонда не выполняется, так как этот ДК защищен катализатором и контролирует только его состояние. Самым чутким является именно первый датчик, который установлен ближе всего к коллектору.
После этого системная ошибка «Check Engine» должна исчезнуть. Если этот способ не сработал, можно воспользоваться более дорогостоящей обманкой.
Электронная обманка
Содержание статьи:
Еще один способ устранения проблем с ДК – это электронная обманка лямбда зонда, схема которой представлена чуть ниже. Так как датчик кислорода передает сигнал контроллеру, то схема-обманка, подключенная к проводке от датчика к разъему, позволит «загрубить» систему. Благодаря этому, в ситуации, если лямбда зонд будет неисправен, силовой агрегат будет продолжать работать корректно.
Полезно! Места установки такой обманки могут отличаться в зависимости от модели АТС. Например, она может быть монтирована в центральный тоннель между сиденьями, в торпеде или моторном отсеке.
Схема-обманка – это однокристальный микропроцессор, который анализирует процессы в катализаторе, получает данные от первого ДК, обрабатывает их, преобразует до показателей второго датчика и выдает на процессор автомобиля соответствующий сигнал.
Чтобы установить обманку этого типа, вам потребуется схема подключения лямбда зонда, которая выглядит следующим образом.

Как видите, бывает разная распиновка лямбда зонда (4 провода, три и два). Цвета проводов могут также отличаться, чаще всего встречаются изделия с 4 пинами (2 черных, белый и синий).
Для изготовления обманного устройства, вам потребуется:
- паяльник с мелким жалом и припой;
- канифоль;
- неполярный конденсатор емкостью 1 мкФ Y5V, +/- 20%;
- резистор (сопротивление) на 1 мОм, С1-4 имп, 0,25 Вт;
- нож и изоляционная лента.
Полезно! Перед установкой, схему лучше всего поместить в пластиковый корпус и залить ее «эпоксидкой».
Дальше электронная обманка на лямбда зонд своими руками монтируется следующим образом:
- Отключите минусовую клемму АКБ.
- «Препарируйте» провод, который идет от самого ДК к разъему.
- Разрежьте синий провод и подсоедините его обратно через резистор.
- Впаяйте неполярный конденсатор меду белым и синим проводами.
- Заизолируйте соединения.
Ниже представлена схема обманки лямбда зонда своими руками для распиновки на 4 провода.

На заключительном этапе, должно получиться следующее.

Такие манипуляции не стоит выполнять, если у вас нет должного опыта. Сегодня в магазинах представлены готовые схемы-обманки, которые без труда сможет установить даже начинающий водитель.
Перепрошивка контроллера
Некоторые особо искушенные автовладельцы решаются на перепрошивку блока управления, благодаря чему блокируется обработка сигналов второго кислородного датчика. Однако необходимо учитывать, что любые изменения алгоритма работы системы могут привести к необратимым последствиям, так как вернуть заводские настройки будет практически невозможно и затратно. Поэтому выполнять такие манипуляции самостоятельно не рекомендуется. То же самое касается и готовых прошивок, которые продаются в интернете.
Полезно! При перепрошивке лямбда зонды удаляются.
Если вы все-таки хотите произвести перепрошивку системы, то обратитесь к грамотному специалисту, который сможет отключить получение данных ДК с помощью специализированного оборудования.

Также стоит учитывать, что практически любое вмешательство в работу систем, может привести к не самым приятным последствиям.
Какие последствия бывают после установки обманок
Нужно понимать, что любая обманка устанавливается на страх и риск автовладельца. Если монтаж был произведен неправильно, то вы можете столкнуться со следующими проблемами:
- Из-за того, что бортовой компьютер не может регулировать впрыск жидкости, может произойти нарушение работы мотора.
- Если схема неправильно спаяна, это может привести к повреждению электропроводки.
- В процессе установки обманки вы можете повредить датчики кислорода, после чего даже не узнаете об их неисправности (так как у вас уже будет установлена обманка).
- После таких вмешательств (не только при перепрошивке) может произойти сбой в бортовом компьютере.
Любая неточность приведет к плачевным последствиям, поэтому лучше установить более безопасный готовый эмулятор. В отличие от обманки, он не «обманывает» блок управления, а лишь обеспечивает его корректную работу, преобразуя сигнал ДК. Внутри эмулятора также установлен микропроцессор (как и в самодельной электронной обманке), который способен оценивать выхлопные газы и анализировать ситуацию.
В заключении
Многие автовладельцы устанавливают на свои машины самодельные обманки, чтобы сэкономить на покупке новых кислородных датчиков. Однако в такой погоне за выгодой, вы вполне можете столкнуться с большими денежными затратами, если кустарное устройство повлияет на работу «жизненно-важных» систем. Поэтому устанавливать обманки рекомендуется, только если вы смыслите в работах такого плана.