
Представьте себе, что водитель останавливает авто, переводит ключ в положение OFF, а двигатель при этом не глохнет, продолжая работать ещё несколько минут. Здесь рассмотрены действия, выполняемые при эксплуатации автоматических турботаймеров. В действительности ещё есть «полуавтоматы». Их эксплуатировать несколько сложнее : когда автомобиль не движется, нужно изъять ключ из замка, а затем требуется активировать ручной тормоз. Если этого не сделать, мотор не остановится до тех пор, пока не закончится топливо. Просто, «полуавтомат» должен получить команду на старт отсчёта времени, а подаётся она замыканием микрокнопки «ручника».
- 4 Пример на видео: автоматический таймер в действии
- 5 Сигнализация со встроенным турботаймером и её выбор
Разбираемся с клеммами замка зажигания
Содержание статьи:
Казалось бы, если можно реализовать опцию автоматического таймера, тогда зачем вообще говорить о «полуавтоматах»? В действительности полуавтоматический таймер легко будет подключить на любом авто, а вот об «автомате» такого сказать нельзя. Посмотрите на схемы, приведённые ниже:
Подключение турботаймера в разных автомобилях
Здесь показано, как нужно подключать именно автоматический таймер. Допустим, наличие двух цепей зажигания (IGN и IGN2) в схеме авто не предусмотрено. Тогда без установки диода обойтись нельзя. Сам диод, показанный на схеме «А», должен пропускать значительную силу тока, в то время как падение напряжение на нём желательно свести к минимуму. На практике подобрать такую деталь оказывается непросто.
Сила тока, на которую рассчитан диод, должна превосходить цифры, указанные на корпусе предохранителя, защищающего коммутируемую цепь.
Клеммы замка зажигания принято обозначать так:
- 30 – контакт, на который напряжение подаётся всё время;
- 2 – клемма, соединяемая с контактом «30», когда ключ находится в положении ACC либо IGN. Через клемму «2» ток идёт в цепь питания аксессуаров;
- 50 – контакт стартёра, получающий потенциал «+12 Вольт», когда ключ доводят до метки START;
- 15 – клемма основной цепи зажигания. Она замыкается с 30-м контактом при повороте ключа к следующим меткам: IGN, START;
- 15/2 – клемма второй цепи зажигания. Плюсовой потенциал на ней находится, когда ключ повёрнут к метке IGN, но не START.
Здесь всё должно быть понятно.
Рекомендуемый вариант для авто с одной цепью зажигания
Были рассмотрены две схемы, а сейчас появится ещё одна. На ней показано, как подключают полуавтоматический таймер:
Подключение полуавтоматического таймера
Реле, показанное на схеме, изготовитель может разместить вместе с электроникой турботаймера в одном корпусе. Тогда схема подключения будет выглядеть проще (рис. справа). Переключатель, коммутирующий «нулевой потенциал» – это микрокнопка «ручника» либо отдельная клавиша в салоне. Её наличие является обязательным.
Рассмотрим алгоритм работы полуавтоматических таймеров:
- Как только ключ переводят в положение IGN, срабатывает реле, а на консоли загорается соответствующий индикатор;
- Чтобы разомкнуть контакты реле, нужно активировать обратный отсчёт. Это действие производят, замыкая контакты микрокнопки.
Представим себе нестандартную ситуацию: ручной тормоз задействован, водитель поворачивает ключ в положение IGN а затем выключает зажигание снова. Тогда по истечении времени, заранее установленного в настройках, контакты реле должны разомкнуться. В общем, в ходе эксплуатации «полуавтомата» не появится каких-либо ситуаций, приводящих к неожиданным последствиям. Но внимательность сохранять рекомендуется.
Остаётся вопрос, какому из трёх рассмотренных вариантов отдать предпочтение в действительности. Ответить на него должен сам автовладелец.
Метод, который на практике лучше не использовать
Казалось бы, роль турботаймера может выполнять некий модуль, соединённый с клеммами «30» и «15» парой проводов. Как только на контакте «15» пропадёт напряжение, реле, встроенное в модуль, замкнёт между собой два провода, и ток в цепи будет восстановлен. Переключатель, активирующий старт отсчёта, здесь не применяется. Ток в цепи кратковременно пропадает, а затем он появляется снова.
Решения, в которых реализован указанный здесь принцип, на рынке присутствуют. Только вот любое реле обладает значительным временем срабатывания.
Не каждый двигатель рассчитан на то, чтобы основную цепь зажигания периодически размыкали. В действительности можно наблюдать вот что:
- Турботаймер, сконструированный по рассмотренному здесь принципу, работает как нужно в 30-50% случаев;
- В остальных случаях реле тоже надёжно срабатывает. Но мотор, не рассчитанный на пропадание искры, успевает заглохнуть перед тем, как контакты таймера начнут пропускать ток.
Делайте выводы.
Сигнализация со встроенным турботаймером и её выбор
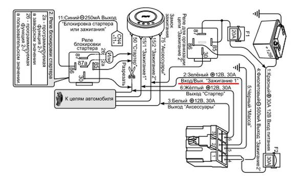
Функцию таймера, поддерживающего работу двигателя, может выполнять автомобильная сигнализация. Поэтому сейчас, в 2015 году, мало кто приобретает турботаймер, изготовленный в виде отдельного устройства. Допустим, в инструкции, прилагаемой к оборудованию, приводится следующая схема:

Распайка основного разъёма автомобильной сигнализации
Как видим, внутри основного модуля присутствует диод. Значит, его включают в разрыв провода цепи зажигания. Речь идёт о варианте схемы, обозначенной буквой «А» в главе «1».
Схема «А» из «главы 1» обладает максимальной универсальностью. Для авто, где предусмотрены две цепи зажигания, она подходит в той же степени, что и для всех остальных машин. Ну а «минус» от наличия диода – это падение напряжения, иногда превышающее 1 Вольт.
В руководстве к оборудованию другой модели всё выглядит иначе. Здесь показана распайка разъёма, оснащаемого 6-ю клеммами:

Силовой 6-контактный разъём сигнализации
Провод в зелёной изоляции пропускает ток, идущий в обход клемм замка. Одновременно он является «контрольным входом». Указанный на схеме провод подключен Т-образно, а точки разрыва, если не учитывать наличие «блокировки», здесь полностью отсутствуют. Ни одна из схем, приведённых в первой главе, с такой сигнализацией не реализуется. Хорошо, если в данном случае предлагают использовать «полуавтомат», а иначе придётся довольствоваться вариантом, рассмотренным в «главе 3».
Модели сигнализаций, позволяющие реализовать любую из рассмотренных выше схем, тоже существуют. Правда, к ним прилагается отдельное реле, силовые контакты которого должны замыкать основную цепь. Что повышает сложность выполнения монтажа и снижает общую надёжность.