
- Подтечка топлива
- Проблемы с клапаном, прекращающим подачу топлива
- Очистка сетки после ремонта
ТНВД двигателя является главной частью системы подачи топлива. При качественной работе определенных программ, тнвд контролирует моменты подачи топлива, а так же нагнетает определенное количество топлива. Причем, работа насоса высокого давления напрямую зависит от того, с какой силой происходит нажатие на педаль газа.
Составные части ТНВД, и их разновидности
Содержание статьи:
Топливные насосы высокого давления можно найти трех видов.
При рассмотрении всех видов и устройство, можно выделить, практически все элементы идентичны. Так же, каждый вид имеет свои преимущества, которые присущи только одному виду.
Практически все производители автомобилей используют исключительно третий тип насосов. Выбор обуславливается компактностью и более точной работой таких насосов.
Однако здесь имеются свои подводные камни. При работе распределительного насоса необходимо обеспечить высокое качество используемого топлива. При исключении этого момента, топливный насос может быстро прийти в негодность. Ремонт или покупка нового устройства может обратиться в трату крупной денежной суммы без гарантии качественного ремонта.
Устройство ТНВД
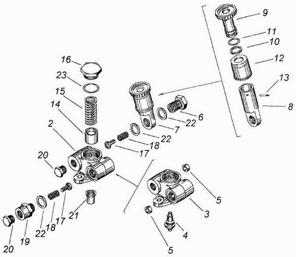
На рисунке показывается стандартный топливный насос. Здесь он состоит из таких частей как:
Работа ТНВД
При помощи насоса для подкачки топлива, оно поступает из бака к ТНВД, здесь при помощи редукционного клапана стабилизируется давление. Регулятор режимов обеспечивает стабильную работу дизельного двигателя независимо от того, какая нагрузка.
Так как топливоподкачивающий насос подает топлива больше необходимого, лишнее топливо через штуцер попадает обратно в топливный бак. И, наконец, клапан, прекращающий поступление топлива, необходим для глушения двигателя.

Причины неисправностей в работе ТНВД
Среди всех причин, самая распространенная — наличие посторонней жидкости в топливе. Даже при наличии лучшего фильтра, вода может встречаться в любом случае. При полном отсутствии фильтра, или выводе из строя, фильтрация будет отключена, и вслед за выходом из строя ТНВД, может ломаться и сам двигатель.
Песок или другие посторонние крупинки. Попадание инородных тел в топливо может стать причиной раннего износа частей, которые соприкасаются между собой. Топливо, ненадлежащего качества губительно сказывается на работе автомобиля.
Настройка механизма, некачественное крепление. В таком случае может возникнуть ненужная вибрация и неправильная подача топлива.
Приобретение добавок и присадок. Они так же негативно влияют на работу всех систем автомобиля. Качественная регуляция насоса подразумевает долгую его эксплуатацию, и добавление присадок здесь не необходимо.
Ремонт ТНВД
Не имея необходимых навыков как в теории, так и в практике, лучше за ремонт не браться, и многие собственники дизельных авто предпочитают отправлять автомобили к специалистам. Чем можно самостоятельно заняться, это настраивание холостого хода, но и здесь имеется свой опасный момент. Так, во избежание поломок ТНВД нужно придерживаться двух простых правил:
- использование топлива проверенного качества;
- регулярная проверка на специализированных станциях после определенного пробега.

Даже самый внимательный и заботливый хозяин не застрахован от непредвиденной поломки насоса. Определить то, что причина именно в топливном насосе высокого давления очень просто.
Несмотря на наличие всех вышеперечисленных неисправностей, необходимо исключить другие возможные варианты неисправностей. Лучше всего провести полную диагностику автомобиля. Так как предметы для проведения диагностики — вещь не дешевая, то провести ее могут помочь специалисты автомобильных мстерских.
Подтечка топлива
Самая часто возникающая проблема у автомобилей. Здесь причиной может быть износ уплотнительных колец. Раскачивая ось рычага во время работы двигателя, начинает подтекать топливо, следует просто заменить уплотнитель.

Проблемы с клапаном, прекращающим подачу топлива
В таком случае, двигатель попросту не заводится. Необходимо проверить целостность привода. В случае отсутствия поломки, проверить заедание самого клапана. Для этого следует взять провод, одна сторона которого крепится на плюсовую клемму аккумулятора, а другая сторона провода к клемме клапана.
При этом должен быть слышен характерный щелчок. В таком случае, он указывает на полную исправность клапана, и проблема, возможно, кроется в проводах. Для того, чтобы доехать до места стоянки или ремонта, можно кинуть запасной провод. А уже конкретно ремонтом данной неисправности должен заняться автоэлектрик.
В случае если щелчка все таки не последовало, чтобы не искать эвакуатор, необходимо вывернуть корпус клапана из топливного насоса высокого давления, удалить пружину и запорную часть. Это даст возможность самостоятельно приехать в гараж. Здесь стоит учесть тот момент, что заглушить двигатель обычным способом уже не выйдет. Так, на включенной скорости следует резко отпустить педаль сцепления и нажать педаль тормоза. При проведении таких манипуляций, машина с рывком самостоятельно заглохнет.
Механизм подачи топлива. Зачастую после долгого простоя, дизельный двигатель не заводится. Такое возможно не только по причине поломки ТНВД, но и по иным причинам. Либо, в топливе присутствует вода. Такое может случиться даже при использовании хорошего топлива, например в зимнее время, когда возможно образование конденсата. И здесь, чем дольше стоит автомобиль, тем выше вероятность поломки.

В случае, если нет уверенности в том, что автомобиль заведется, необходимо снять ремень ГРМ, и повернуть шкив вручную. В случае беспрепятственного вращения, можно вернуть ремень на место. В противном случае, необходимо снять ТНВД с целью удаления коррозии.
При разборке необходимо делать фотографии процесса и каждого шага, так как возможно появление затруднений при сборке.
Очистка сетки после ремонта
Количество фильтрующих сеток зависит от насоса. Чистятся сетки простой зубной щеткой.
В последнее время стали выпускать насосы без тросиков и рычагов. Здесь присутствуют только электрические двигатели и приводы. Такое насосы невозможно сделать самостоятельно. Более того, это не удается сделать и специалистам.
Топливные насосы низкого давления
При разборке ТНВД дизельного двигателя можно увидеть еще один насос. Обычно, устанавливают его прямо в ТНВД, или поблизости с ним. Это топливный насос низкого давления. Соединены эти два насоса при помощи нескольких трубок, по которым проходит топливо, параллельно проходя очистку. Топливный насос низкого давления — это деталь, помогающая доставить топливо к ТНВД.
Составные части ТННД

- вал приводной;
- ротор с лопастями;
- статор;
- распред. диск;
- шестерни;
- муфты соединительные.
При движении лопастей ротора, они начинают приближаться к статору, создавая камеры. Далее, при наличии определенного давления, топливо отправляется к ТНВД. При повышенном давлении часть топлива направляется к клапану редукции.
Виды ТННД
ТННД находится во всех автомобилях без исключения. Без него совершенно невозможно обойтись, так как при помощи данного насоса происходит передвижение топлива из бака ко всем системам автомобиля. В дизельном варианте, ТННД транспортирует топливо к ТНВД. На инжектор устанавливают более мощные насосы, в остальных случаях ставится насос слабее.
Насос механический. В работу приводит коленвал со специальным кулачком, нажатие на который отправляет топливо в камеру. Далее топливо проходит в карбюратор, где происходит возгорание. Механический тип более благоприятен при долгом простое автомобилей, так как в таком случае высыхание не становится проблемой, и возможна самостоятельная подкачка топлива вручную.

Насос электрический. Такой тип на инжекторных двигателях. Появление обусловлено невозможностью использования механики. Механический насос не справлялся со своими функциями.
Устройство в простом виде: насосный элемент и электрический двигатель. Здесь же расположен датчик по расходу топлива и фильтр. Работа механического и электрического насосов идентична. Различие кроется лишь в том, что в насосах электрических топливо движется при помощи электрического двигателя.
ТННД можно найти внутри бензобака. Непосредственная близость с топливом не представляет никакой опасности, так как при постоянном движении топлива перегрев не происходит, соответственно, возгорания произойти не может. В качестве дополнения, ТННД устанавливается так же на дизельные двигатели.
В качестве вывода и подведения итогов, необходимо еще раз сделать оговорку, что лучше использовать исключительно проверенное топливо и проходить регулярные осмотры, чем выплачивать круглые суммы специалистам по ремонту или покупать новые насосы. При правильной и бережной эксплуатации автомобиля, все его части будут бесперебойно работать, и прослужат долгое время.